Sett med 5 knotter for T-spor Sett med 5 knotter for T-spor Sett med 5 knotter for T-spor Sett med 5 knotter for T-spor Sett med 5 knotter for T-spor Sett med 5 knotter for T-spor

Sett med 5 knotter for T-spor

Varenr:127414
145,-Kampanjepris
162,-Førpris
-+
20+ På lager
BeskrivelseTilbehørSupportKundeanmeldelserSpørsmål og svarKundeanmeldelser
Beskrivelse

Sett med 5 knotter for T-spor

Sett med knotter for T-spor laget i plast og metall i fargene sølv og svart. Beregnet for bruk med universelle og dobbeltskjærte T-spor, der de brukes til å feste ulike jigger og oppsett og gi bedre utnyttelse av T-spor-løsninger.

  • Knotter i svart polypropylen-plast med god varmebestandighet
  • Ergonomisk utforming for jevn og komfortabel håndtering
  • Støpte, forkrommede stålinnsatser som er motstandsdyktige mot korrosjon og rust
  • Innsatsene er konstruert for å motvirke slitasje og avrunding av gjenger

Kompatibilitet

Kan brukes sammen med T-sporlist for skrutvinge 1000 mm og T-spor-skinne for jigger og oppspenning 1000 mm for innfesting og justering i T-spor.

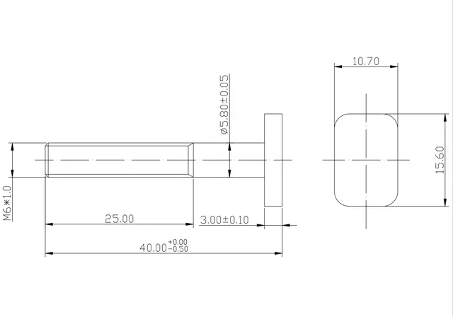
Tekniske spesifikasjoner

Knottdiameter32,00 mm
Total høyde (knott)18,00 mm
Høyde toppdel9,00 mm
Høyde innfestning15,80 mm
KantavrundingR0,50
GjengeM6 × 1.0
Gjenget lengde25,00 mm
Skulderlengde3,00 ± 0.10 mm
Total lengde (bolt)40,00 mm (+0.00 / -0.50)
Skaftdiameter5,80 ± 0,05 mm
Hodebredde10,70 mm
Hodehøyde15,60 mm
Tilbehør
Support
Kundeanmeldelser
Spørsmål og svar
Kundeanmeldelser
26765